Стиль Maruti K10 Suzuki ZEN випускався у 2006, 2007, 2008, 2009, 2010, 2011, 2012 роках. У цій публікації ви можете знайти опис запобіжників та реле Maruti K10 Suzuki ZEN Estilo зі схемами блоків запобіжників, їх розташуванням та фото-прикладами роботи. Також ми виділимо запобіжник, що відповідає за прикурювач.

Призначення запобіжників та реле у вашому автомобілі може відрізнятися від показаного та залежить від року випуску, рівня електрообладнання та регіону поставки вашого автомобіля.
Зміст статті
Пасажирський салон
У салоні автомобіля блок запобіжників і реле буде розташований під панеллю приладів з боку водія.

Звірте призначення елементів зі схемами на звороті обкладинки.

Діаграма

Завдання
| Позначення | Розшифровка українською мовою |
|---|---|
| 1 | 10A Обігрівач |
| 2 | 15A Склоочисник / Омивач |
| 3 | 15A Задній обігрівач скла |
| 4 | Протитуманні фари |
| 5 | 20A Блокування дверей |
| 6 | 10A Стоп-сигнали |
| 7 | 10A Габаритні вогні |
| 8 | 15A Радіо / Освітлення салону |
| 9 | 15A Сигнал / Аварійна сигналізація |
| 10 | 30A Вентилятор обігрівача |
| 11 | 30A Підсилювач керма |
| 12 | 10A Задні протитуманні фари |
| 13 | 10A Прилади |
| 14 | 15A Запалювання |
| 15 | 10A Задній хід |
| 16 | 15A Подушки безпеки |
| 17 | 10A ABS (Антиблокувальна система) |
| 18 | Не використовується |
| 19 | Не використовується |
| 20 | 15A Прикурювач |
| 21 | 30A Запобіжник стартера |
| 22 | 30A Електропривод склопідйомників |
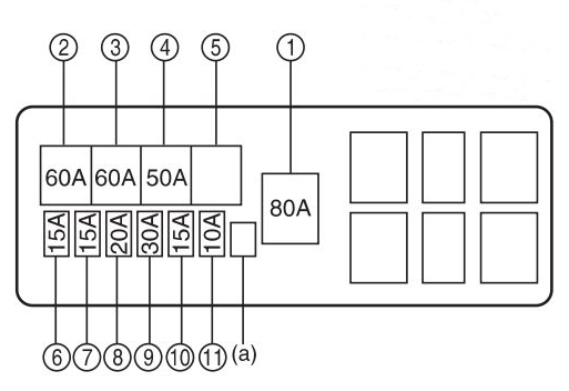
Моторний відсік
У моторному відсіку головний блок запобіжників і реле розташований з лівого боку, поруч з акумуляторною батареєю.

Діаграма

Позначення
| Позначення | Розшифровка українською мовою |
|---|---|
| 1 | 80A Всі електронні системи |
| 2 | 60A Запальничка, поворотники/задні, запалювання/система вимірювань, обігрівач, задній обігрів, склоочисники, електросклопідйомники |
| 3 | 60A Замок дверей, габарити, стоп-сигнал, радіо/салонне освітлення, сигнал/аварійка, вентилятор обігрівача |
| 4 | 50A Антиблокувальна система гальм (ABS) |
| 5 | Не використовується |
| 6 | 15A Фара (права) |
| 7 | 15A Фара (ліва) |
| 8 | 20A Передні протитуманні фари |
| 9 | 30A Електродвигун вентилятора радіатора |
| 10 | 15A Система вприскування пального |
| 11 | 10A Кондиціонер |
Знаєте, як покращити матеріал, чи знайшли помилку – пишіть у коментарях.
